- Главная
- Каталог
- Крепеж
- Гайки
- Гайки корончатые прорезные
- Гайка шестигранная прорезная с уменьшенным размером, класс точности А ГОСТ 2528-73
Гайка шестигранная прорезная с уменьшенным размером, класс точности А ГОСТ 2528-73
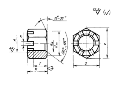
Гайки шестигранные прорезные с уменьшенным размером "под ключ", класс точности А ГОСТ 2528-73.
Класс точности: А.
Поле допуска резьбы: 6H.
Марка стали: 3, 20, 35, 45, 40Х, 09Г2С, 12Х13.
Класс прочности: 4; 5; 6; 8; 10; 12
Класс точности: А.
Поле допуска резьбы: 6H.
Марка стали: 3, 20, 35, 45, 40Х, 09Г2С, 12Х13.
Класс прочности: 4; 5; 6; 8; 10; 12




